プラローラー【ニッコー機材】
プラローラー【ニッコー機材】
販売価格: 13,200円(税込)
オプションにより価格が変わる場合もあります。
商品詳細
プラローラー
軽くて強い楽々ローラー。
プラローラー
P-50(MCナイロン)(Q4X-NKK-G00-018) 定価2,800円(税別)
P-70(MCナイロン)(Q4X-NKK-G00-019) 定価3,600円(税別)
P-90(MCナイロン)(Q4X-NKK-G00-020) 定価5,600円(税別)
P-120(高硬度ウレタン)(Q4X-NKK-G00-021) 定価12,000円(税別)
ツノローラー、ロングローラー、二段ローラー用ローラーです。
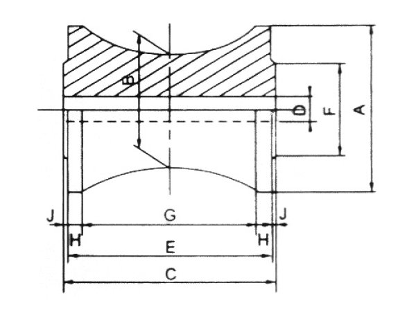
| 単位=ミリ | A | B | C | D | E | F | G | H | J |
| P-50 | 61 | 40 | 52 | 8.3 | 49 | 28 | 41 | 4 | 1.5 |
| P-70 | 71 | 50 | 73 | 10.3 | 70 | 35 | 60 | 5 | 1.5 |
| P-90 | 91 | 62 | 87 | 12.3 | 83 | 40 | 71 | 6 | 2 |
| P-120 | 105 | 65 | 120 | 12.3 | 115 | 45 | 96 | 9 | 2.5 |

●ニッコー機材社製
商品詳細
| ■その他 | ※こちらの商品はメーカー在庫ですので、ご希望に添えない場合もございます。ご了承の上ご注文下さい。 ※取り寄せに2〜30日のお時間を頂きます。(お急ぎの場合は営業時間内にお電話でご相談ください) ※具体的な納期などにつきましては、ご注文後ご連絡を差し上げます。 ※返品・交換・キャンセルはお受けできませんので予めご了承下さい。 |
|---|